科仑环保设备有限公司的烟气脱硝技术充分吸收国内外各项先进技术的优点,先后自主开发了适合中国国情的选择性非催化还原法(SNCR)、选择性催化还原法(SCR)和SNCR/SCR联合工艺等多种脱硝工艺,形成了完整的、具有自主知识产权的锅炉炉窑烟气脱硝技术体系。
选择性非催化还原法(SNCR)
一、烟气脱硝技术选择性非催化还原法(SNCR)工艺介绍
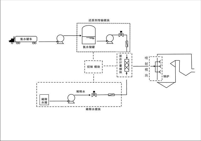
SNCR 方法主要是将含氮的还原剂(尿素、氨水或液氨)喷入到温度为850~11000C 的烟气中,使其发生还原反应,脱除NOx,生成氮气和水。由于在一定温度范围及有氧气的情况下,含氮还原剂对NOx的还原具有选择性,同时在反应中不需要催化剂,因此称之为选择性非催化还原。SNCR系统的主要设备均采用模块化设计,主要有还原剂储存与输送模块、稀释水模块、混合计量模块、喷射模块组成。
二、烟气脱硝技术选择性非催化还原法(SNCR)工艺流程图

三、烟气脱硝技术选择性非催化还原法(SNCR)工艺特点
1、投资成本及运行费用低,占地面积小,停工安装期短;
2、可适应锅炉负荷变化;
3、脱硝效率可达30%~70%;
4、工艺成熟,系统安全性高,运行可靠;
5、无压降,不需要更换锅炉引风机;
6、模块化设计,安装、维护方便。
选择性催化还原法(SCR)
一、烟气脱硝技术选择性催化还原法(SCR)工艺介绍
SCR脱硝工艺是利用催化剂,在一定温度下(270~400℃),使烟气中的NOx与来自还原剂供应系统的氨气混合后发生选择性催化还原反应,生成氮气和水,从而减少NOx的排放量,减轻烟气对环境的污染。其中SCR脱硝反应的具体反应方程式:

SCR反应过程中使用的还原剂可以为液氨、氨水(25%NH3)或者尿素 。
SCR脱硝工艺系统可分为液氨储运系统(液氨为还原剂)、氨气制备和供应系统、氨/空气混合系统、氨喷射系统、烟气系统、SCR反应器系统和氨气应急处理系统等。
二、烟气脱硝技术选择性催化还原法(SCR)工艺流程图

三、烟气脱硝技术选择性催化还原法(SCR)工艺特点
1、脱硝效率高,可达90%以上;
2、对煤种以及锅炉负荷变化的适应性强;
3、SO2氧化率和NH3逃逸率低;
4、V/W/TiO2催化剂,活性好、失活率低、寿命长;
5、技术成熟,运行可靠,便于维护。
SNCR-SCR联合工艺
一、烟气脱硝技术SNCR-SCR联合工艺工艺介绍
SNCR/SCR联合工艺是将SNCR技术与SCR技术联合应用,即在炉膛上部850~1100℃的高温区内,以尿素等作为还原剂,还原剂通过计量分配和输送装置精确分配到每个喷枪,然后经过喷枪喷入炉膛,实现NOx的脱除,过量逃逸的氨随烟气进入炉后装有少量催化剂的SCR脱硝反应器,实现二次脱硝。
SNCR/SCR混合法脱硝系统主要由还原剂存储与制备、输送、计量分配、喷射系统、烟气系统、SCR脱硝催化剂及反应器、电气控制系统等几部分组成。
二、烟气脱硝技术SNCR-SCR联合工艺工艺流程图

三、烟气脱硝技术SNCR-SCR联合工艺工艺特点
1、脱硝效率高,可达80%以上;
2、反应器较SCR小,空间适用性强;
3、脱硝系统阻力小,催化剂用量少,运行费用低;
4、SO2/SO3转化率及氨逃逸率低;
5、可分步安装,满足不同时期的环保要求,减少初始投资费用。



