烟气脱硝技术SNCR-SCR联合工艺
一、烟气脱硝技术SNCR-SCR联合工艺工艺介绍SNCR/SCR联合工艺是将SNCR技术与SCR技术联合应用,即在炉膛上部850~1100℃的高温区内,以尿素等...
2023-11-30
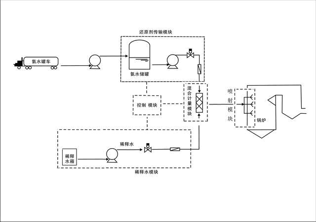
烟气脱硝技术选择性非催化还原法(SNCR)
选择性非催化还原法(SNCR)一、烟气脱硝技术选择性非催化还原法(SNCR)工艺介绍SNCR 方法主要是将含氮的还原剂(尿素、氨水或液氨)喷入到温度为850~1...